服务热线

|
标准名称 |
GB/T 30133-2013卫生巾用面层通用技术规范 |
||
|
标准号 |
GB/T 30133-2013 |
||
|
中文标准名称 |
卫生巾用面层通用技术规范 |
||
|
发布日期 |
|
实施日期 |
2014年12月01日 |
|
更新日期 |
|
批准日期 |
|
|
标准状态 |
现行有效 |
标准类型 |
国家标准 |
|
国际标准分类号 |
|
中国标准分类号 |
|
|
提出单位 |
中国轻工业联合会 |
||
|
归口单位 |
全国造纸工业标准化技术委员会(SAC/TC 141) |
||
|
主管部门: |
全国造纸工业标准化技术委员会(SAC/TC 141) |
||
|
起草单位 |
中国制浆造纸研究院、卓德嘉薄膜(上海)有限公司、厦门延江工贸有限公司、小护士(天津)实业发展股份有限公司、广州宝洁有限公司、国家纸张质量监督检验中心 |
||
|
起草人 |
王振、邱文伦、高君、李萍、高凤娟 |
||
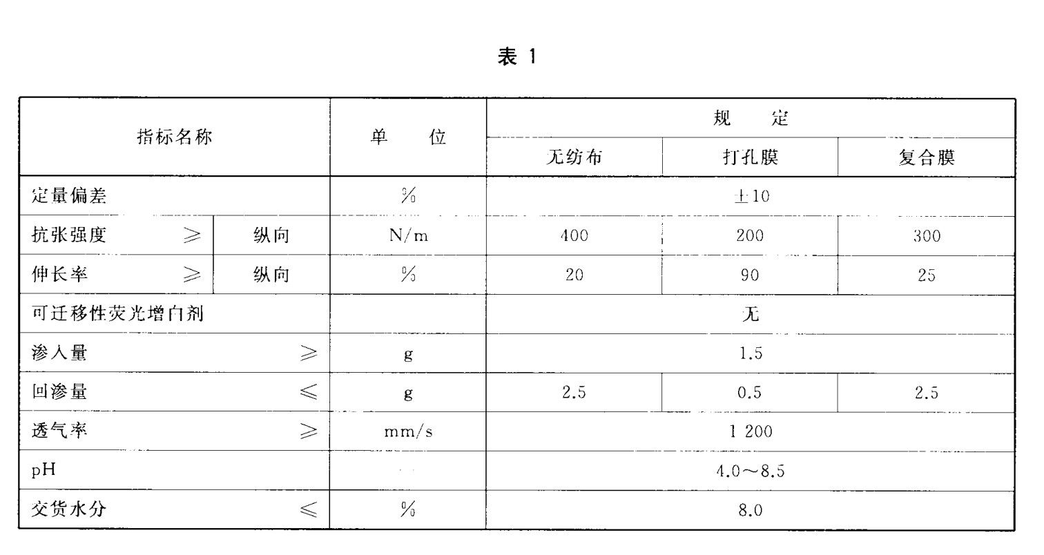
【卫生巾用面层技术要求】
复合膜:由无纺布和打孔膜两种复合材料复合加工,用于卫生巾和卫生护垫面层的材料。

【卫生巾用面层透气率的测定】
一、测试原理:在规定的压差条件下,测定一定时间内垂直透过试样给定面积的气流流量,计算出透气率。气流流量可直接测出,也可通过测定流量孔径两面的压差换算而得。
二、透气率试验条件:测试定压值50pa,测试面积20cm2,测试单位mm/s
三、测试试样要求;切取足够卫生巾用面层试样,试样宽度至少100mm,总长度不低于500mm,作为被测试样,所取试样应具有代表性,在同样条件下,每个试样正反面各测3次,同一样品共测定6次。
四、卫生巾用面层和卫生护垫面层透气率检测应满足GB/T 30133-2013卫生巾用面层通用技术规范,检测仪器推荐常州市双固顿达机电科技有限公司,SG461-III型织物透气量仪
用途:
仪器特点:
1.采用微电脑控制系统,高精度压力传感器,数字反馈调节吸风量,自动跟踪测定并显示每点压差,同一试样测试多次重复性和稳定性非常好。
2.可根据不同国家标准在屏幕上设置参数,测试结果无需换算,并可直接打印输出。
3.完全符合世界各国标准,稳定性、重复性、可靠性完全达到国外先进水平。
4.工业彩色触摸屏操作,中文显示界面(可以定制其它语言),中文触摸屏控制,内置26键中英文输入法,中文+拼音输入更直观。
5.测试速度快,常规测试5-15秒左右;。
6.仪器台面经多道烤漆和磨砂处理,台面丝滑如顺。
9.包含11个测试用喷嘴和6套压头套圈和定值圈及1块8.5mm标准校准孔板,所有喷嘴都经过全量程内逐点标定,保证测试数据的准确性。经过对比,测试结果准确性可以和国外进口仪器媲美。
10.仪器自带微型打印机快捷方便打印报告。
11.采用带锁万向滑轮,方便搬移。
3.测量时间:2-15秒,实际测试时间根据样品而定
8.喷嘴:共11只
9.测试厚度:0-12mm
10.数据显示方式:高清触摸屏幕显示,自带微型打印机
13.重量:88kg