服务热线
卫生巾一般由表面层、吸收层和底层三部分构成,表层需过滤血液快,中层和底层材料则需要透气。 熊猫宝贝养护级卫生巾,表层采用进口面层纤维,血液能快速渗入并保持表层干爽;中层采用五层复合芯体,轻薄但吸量大,可把渗入的液体凝结成嗜喱状,受压后不回渗,表面没有粘乎乎的感觉。底层以选透气材料制成,可使气体状的水分子顺利通过,从而达到及时排出湿气的作用,有效地减少卫生巾与身体排出湿气的作用,有效地减少卫生巾与身体之间的潮湿和闷热,保持干爽清新的感受。

【卫生巾用面层透气率的测定】
一、测试原理:在规定的压差条件下,测定一定时间内垂直透过试样给定面积的气流流量,计算出透气率。气流流量可直接测出,也可通过测定流量孔径两面的压差换算而得。
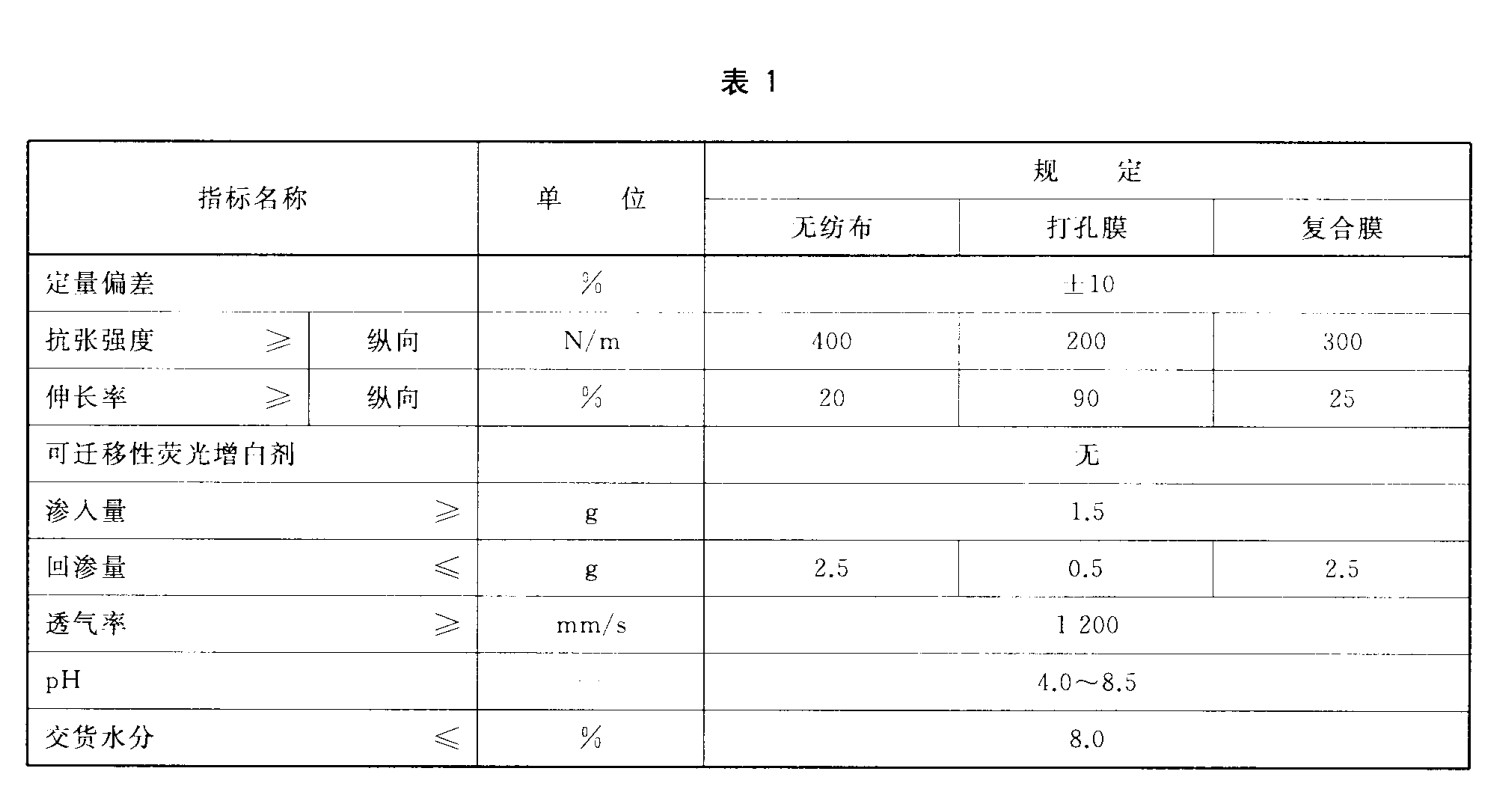
二、透气率试验条件:测试定压值50pa,测试面积20cm2,测试单位mm/s
三、测试试样要求;切取足够卫生巾用面层试样,试样宽度至少100mm,总长度不低于500mm,作为被测试样,所取试样应具有代表性,在同样条件下,每个试样正反面各测3次,同一样品共测定6次。
四、卫生巾用面层和卫生护垫面层透气性测试仪器推荐常州市双固顿达机电科技有限公司,SG461-III型织物透气量仪
用途:
仪器特点:
1.采用微电脑控制系统,高精度压力传感器,数字反馈调节吸风量,自动跟踪测定并显示每点压差,同一试样测试多次重复性和稳定性非常好。
2.可根据不同国家标准在屏幕上设置参数,测试结果无需换算,并可直接打印输出。
3.完全符合世界各国标准,稳定性、重复性、可靠性完全达到国外先进水平。
4.工业彩色触摸屏操作,中文显示界面(可以定制其它语言),中文触摸屏控制,内置26键中英文输入法,中文+拼音输入更直观。
5.测试速度快,常规测试5-15秒左右;。
6.仪器台面经多道烤漆和磨砂处理,台面丝滑如顺。
9.包含11个测试用喷嘴和6套压头套圈和定值圈及1块8.5mm标准校准孔板,所有喷嘴都经过全量程内逐点标定,保证测试数据的准确性。经过对比,测试结果准确性可以和国外进口仪器媲美。
10.仪器自带微型打印机快捷方便打印报告。
11.采用带锁万向滑轮,方便搬移。
3.测量时间:2-15秒,实际测试时间根据样品而定
8.喷嘴:共11只
9.测试厚度:0-12mm
10.数据显示方式:高清触摸屏幕显示,自带微型打印机
13.重量:88kg